Hi!
This is super useful, thanks so much for this.
I just have one small issue where I was wondering if you could help out on this.
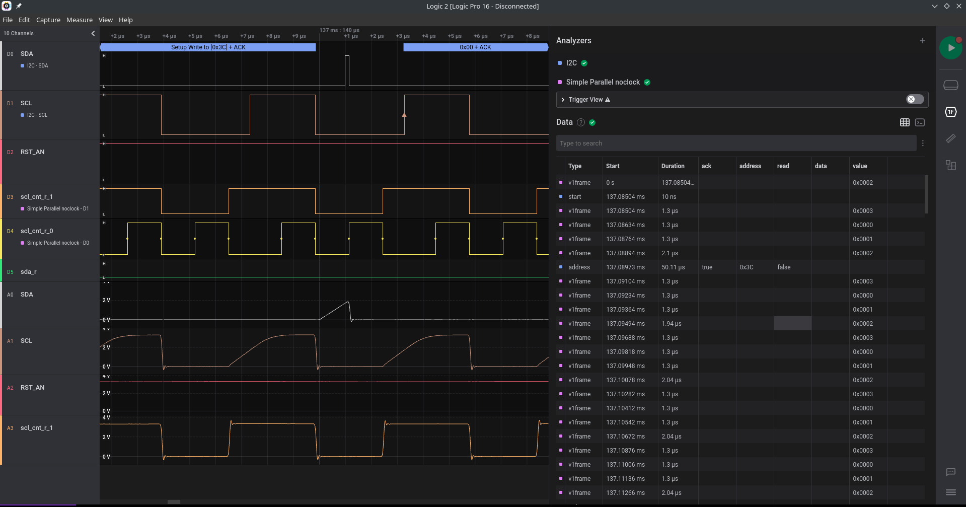
I have compiled the analyzer and loaded it and it works fine as I can see in the table, but the annotation is not working in the waveform
although it is set.

