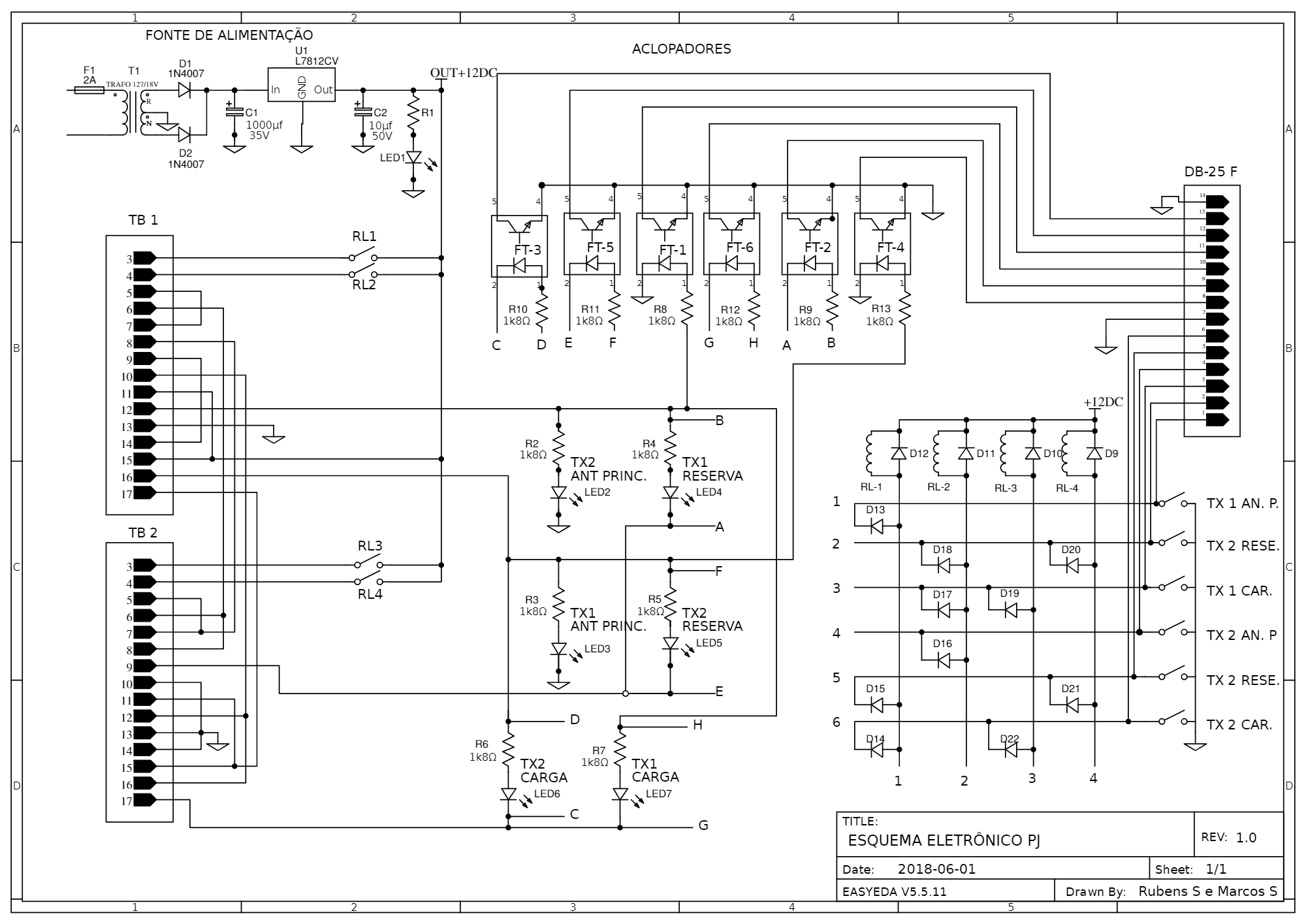
The FG Command Controller hardware project, performs the switching and two coaxial switches, was developed for switching by pushbutton, the project also provides for signaling by LED indicators and also by signals for designated Telemetry Systems.
This repository was archived by the owner on Sep 16, 2022. It is now read-only.
aragonxpd154/FG-Command-Controller
Folders and files
| Name | Name | Last commit date | ||
|---|---|---|---|---|
